Introduction
In modern electronics, passing compliance tests is not an afterthought – it must be designed in from the very beginning. This blog takes you through the journey of designing a motor driver PCB, starting from schematic capture in CST Studio Suite, to performing IR drop and conducted emission (CE) testing using CST Studio Suite. By simulating EMI/EMC effects early in the design flow, engineers can avoid costly redesigns and increase the chances of first-pass success at the compliance lab.
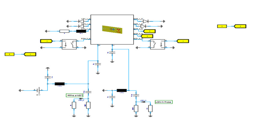
1. Schematic-Level CE in CST Circuit & System:
Goal: Build the H-Bridge + EMI filter as a circuit in CST (no PCB yet), excite it with PWM, and measure conducted emissions at the LISN port per CISPR 25 (V-method).
- Create a Circuit project in CST Studio Suite.
- Refer to Fig. for the complete schematic: LISN → Filter → H-Bridge → Motor

Fig: Schematic diagram
2) Excitations (PWM & supply)
The PWM gate signals were generated using Digital → Pulse (Clock pattern) with logic levels 0/1. A rise/fall of 0.001 ms and ON-time of 0.005 ms within a 0.0125 ms period gives an 80 kHz PWM at ~40% duty cycle (≈ 5 µs high, 7.5 µs low). These signals drive the H-bridge Voltage-Controlled Switches, while the motor is modelled by a simple R–L equivalent.
For reliable spectra, the transient simulation runs for 50–100 PWM cycles (≈ 0.6–1.2 ms). Frequency-domain analysis (up to 3 MHz) uses a 0.5 kHz RBW, Hamming window, and time gating from 1–3 ms to remove startup transients.

Fig: Excitation signal

Fig: FD data solver settings
3. CE Results and Observations
- Without EMI Filter : Strong harmonics from PWM switching; several peaks exceed CISPR25 Class 1 → non-compliant.
- With EMI Filter : Significant noise reduction; emissions stay below limits across all bands → compliant.
👉 Final takeaway: A filter is essential for passing CISPR25 in motor driver circuits.
- X-axis → Frequency in kHz
- Y-axis → Conducted emission level in dBµV (or dB, depending on CST setup)

Fig: CE Results of Motor controller with and without filters, including CISPR25 CE Standard limits
4. PCB Design & Import into CST
The designed schematic was captured in CST Circuit & System environment and later converted into a PCB layout using KiCad. The PCB was routed with proper net connections and exported in ODB++ format for CST import. This ensured that all nets, components, and layer stackup were preserved during transfer.

Fig: PCB design.
5. Simulation Setup in CST
Inside CST, the imported PCB was connected according to the schematic. Excitations, loads, and measurement ports were assigned to replicate the circuit-level configuration. Special attention was given to ground return paths and supply rails to accurately reflect the conducted emission behavior.

Fig: Imported PCB

Fig: Schematic co-simulation connection.
6. Simulation Results: Circuit vs PCB
- Circuit-level (Green): Quick check with H-Bridge + LISN shows strong PWM harmonics but no PCB parasitic effects.
- PCB-level (Purple): KiCad → CST ODB++ import shows cleaner spectrum; layout parasitics and grounding improve realism.
- 👉 Conclusion: Green = early estimate, Purple = accurate validation. Both confirm PCB-level testing is essential for true CISPR25 compliance
- X-axis → Frequency in kHz
- Y-axis → Conducted emission level in dBV (or dB, depending on CST setup)

Fig: CE Results of Motor controller pcb level and Schematic level including CISPR25 CE Standard limits

Fig: Emission Results of Motor controller at 150KHZ.

Fig: Emission Results of Motor controller at 2500KHZ.
Conclusion
This study demonstrates a complete conducted emissions (CE) analysis workflow for an H-Bridge motor driver using CST Studio Suite. Starting from circuit-level modelling in CST Circuit & System, the design was progressively validated through LISN integration, EMI filtering, and transient analysis.
The schematic-only simulations provided an initial view of conducted noise generated by PWM switching. However, when the design was transferred into a PCB layout and simulated with parasitic effects included, the results showed noticeable differences. This highlights the importance of performing both circuit and PCB-level validation to obtain realistic EMI behaviour.
The LISN-based CE(V-method) measurements confirmed the impact of layout and filtering on emission levels. The filter stage played a crucial role in suppressing harmonic peaks and stabilizing the spectrum across the CISPR25-defined frequency bands. The comparison between schematic and PCB results underlines that early circuit simulations are valuable for rapid iterations, but PCB-level verification is essential for compliance assurance.
Overall, the workflow proves that CST Studio Suite enables a seamless transition from schematic design to full PCB validation, ensuring that emission performance can be predicted and optimized before hardware fabrication. This simulation-driven approach reduces prototyping costs, accelerates design cycles, and provides confidence in achieving regulatory compliance for automotive and industrial motor control applications.
Guest Author
VENKATESH S S
Application Engineer. BEACON India




